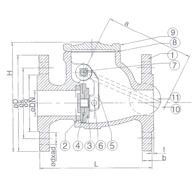
| NO | PARÇA ADI | MALZEME |
|---|---|---|
| 1 | GÖVDE | EN GJS 400-15 |
| 2 | GÖVDE BURCU | Ms 58/304 |
| 3 | KLAPE | EN GJS 400-15 |
| 4 | CONTA | EPDM |
| 5 | KOL | EN GJS 400-15 |
| 6 | PİM | 304 |
| 7 | MİL | 304 |
| 8 | CONTA | EPDM |
| 9 | KAPAK | EN GJS 400-15 |
| 10 | AĞIRLIK KOLU | EN GJS 400-15 |
| 11 | K.AĞIRLIĞI | EN GJS 400-15 |
|
PN 10 |
PN 16 |
|||||||||||||||
|---|---|---|---|---|---|---|---|---|---|---|---|---|---|---|---|---|
|
DN |
L |
H |
a |
ØD |
Øk |
Øg |
f |
b |
ØdxAd |
ØD |
Øk |
Øg |
f |
b |
ØdxAd. |
|
|
50 |
200 |
180 |
200 |
165 |
125 |
102 |
3 |
20 |
18x4 |
165 |
125 |
102 |
3 |
22 |
18x4 |
|
|
65 |
240 |
200 |
300 |
185 |
145 |
122 |
3 |
20 |
18x4 |
185 |
145 |
122 |
3 |
24 |
18x8 |
|
|
80 |
260 |
235 |
300 |
200 |
160 |
138 |
3 |
22 |
18x8 |
200 |
160 |
138 |
3 |
26 |
18x8 |
|
|
100 |
300 |
265 |
305 |
220 |
180 |
158 |
3 |
24 |
18x8 |
235 |
190 |
162 |
3 |
26 |
22x8 |
|
|
125 |
350 |
295 |
400 |
250 |
210 |
188 |
3 |
26 |
18x8 |
270 |
220 |
188 |
3 |
28 |
26x8 |
|
|
150 |
400 |
320 |
400 |
285 |
240 |
212 |
3 |
26 |
22x8 |
300 |
250 |
218 |
3 |
30 |
26x8 |
|
|
200 |
500 |
440 |
485 |
340 |
295 |
268 |
3 |
30 |
22x12 |
360 |
310 |
278 |
3 |
34 |
26x12 |
|
| BOYUTLAR : | 3202 F6 |
|---|---|
| BAĞLANTILAR : | DIN 2533 - ISO 7005/ 2 |
| ÇALIŞMA SICAKLIĞI : | -10 °C +120 °C |
| ANMA BASINCI : | PN 10 /16/ 25 |
| MALZEME : | PN 16 EN GJS 400-15 PN 25 EN GJS 400-15 |