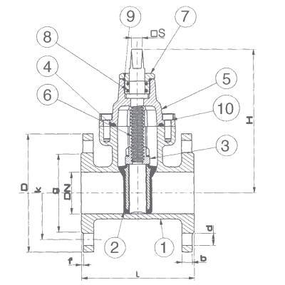
| NO | PARÇA ADI | MALZEME |
|---|---|---|
| 1 | GÖVDE | EN GJS 400-15 |
| 2 | SÜRGÜ | EN GJS 400-15/EPDM |
| 3 | ALT SOMUN | Ms 58 |
| 4 | CONTA | EPDM |
| 5 | KAPAK | EN GJS 400-15 |
| 6 | MİL | X20 Cr 13 |
| 7 | ÜST SOMUN | Ms 58 |
| 8 | ORING | EPDM |
| 9 | ORING | EPDM |
| 10 | CİVATA | 8.8 |
|
PN 10 |
PN 16 | |||||||||||||
|---|---|---|---|---|---|---|---|---|---|---|---|---|---|---|
|
DN |
L |
H |
ØD |
Øk |
Øg |
f |
b |
ØdxAd |
ØD |
Øk |
Øg |
f |
b |
ØdxAd. |
|
50 |
150 |
232 |
165 |
125 |
102 |
3 |
16 |
19x4 |
165 |
125 |
102 |
3 |
16 |
19x4 |
|
65 |
170 |
237 |
185 |
145 |
122 |
3 |
16 |
19x4 |
185 |
145 |
122 |
3 |
16 |
19x4 |
|
80 |
180 |
270 |
200 |
160 |
138 |
3 |
16 |
19x8 |
200 |
160 |
138 |
3 |
16 |
19x8 |
|
100 |
190 |
295 |
220 |
180 |
158 |
3 |
16 |
19x8 |
220 |
180 |
158 |
3 |
16 |
19x8 |
|
125 |
200 |
310 |
250 |
210 |
188 |
3 |
16 |
19x8 |
250 |
210 |
188 |
3 |
16 |
19x8 |
|
150 |
210 |
325 |
285 |
240 |
212 |
3 |
16 |
23x8 |
285 |
240 |
212 |
3 |
16 |
23x8 |
|
200 |
230 |
355 |
340 |
295 |
268 |
3 |
17 |
23x8 |
340 |
295 |
268 |
3 |
17 |
23x12 |
|
250 |
250 |
445 |
395 |
350 |
320 |
3 |
19 |
23x12 |
405 |
355 |
320 |
3 |
19 |
28x12 |
|
300 |
270 |
773 |
445 |
400 |
370 |
4 |
21 |
23x12 |
460 |
410 |
378 |
4 |
21 |
28x12 |
| 400 | 310 | 950 | 565 | 515 | 480 | 4 | 21 | 28x16 | 580 | 525 | 480 | 4 | 24 |
31x16 |
| 500 | 350 | 1120 | 670 | 620 | 582 | 4 | 23 | 28x20 | 715 | 650 | 609 | 4 | 27,5 |
34x20 |
| BOYUTLAR : | 3202 F4 |
|---|---|
| BAĞLANTILAR: | DIN 2533 - ISO 7005/ 2 |
| ÇALIŞMA SICAKLIĞI : | -10 °C +70 °C |
| ANMA BASINCI : | PN 10 / 16/ 25 |
| MALZEME : | EN GJS 400-15 |