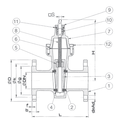
| NO | PARÇA ADI | MALZEME |
|---|---|---|
| 1 | GÖVDE | GG 25/EN GJS 400-15 |
| 2 | GÖVDE BURCU | BRONZ |
| 3 | SÜRGÜ | GG 25/EN GJS 400-15 |
| 4 | SÜRGÜ BURCU | BRONZ |
| 5 | ALT SOMUN | Ms 58 |
| 6 | CONTA | EPDM |
| 7 | KAPAK | GG 25/EN GJS 400/15 |
| 8 | MİL | X20 Cr13/Ms58 |
| 9 | ÜST SOMUN | Ms 58 |
| 10 | ORING | EPDM |
| 11 | ORING | EPDM |
| 12 | CİVATA | 8.8 |
|
PN 10 |
PN 16 |
|||||||||||||
|---|---|---|---|---|---|---|---|---|---|---|---|---|---|---|
|
DN |
L |
H |
ØD |
Øk |
Øg |
f |
b |
ØdxAd |
ØD |
Øk |
Øg |
f |
b |
ØdxAd. |
|
50 |
250 |
218 |
165 |
125 |
99 |
3 |
19 |
19x4 |
165 |
125 |
99 |
3 |
19 |
19x4 |
|
65 |
270 |
258 |
185 |
145 |
118 |
3 |
19 |
19x4 |
185 |
145 |
118 |
3 |
19 |
19x4 |
|
80 |
280 |
265 |
200 |
160 |
132 |
3 |
19 |
19x8 |
200 |
160 |
132 |
3 |
19 |
19x8 |
|
100 |
300 |
395 |
220 |
180 |
156 |
3 |
19 |
19x8 |
220 |
180 |
156 |
3 |
19 |
19x8 |
|
125 |
325 |
345 |
250 |
210 |
184 |
3 |
19 |
19x8 |
250 |
210 |
184 |
3 |
19 |
19x8 |
|
150 |
350 |
408 |
285 |
240 |
211 |
3 |
19 |
23x8 |
285 |
240 |
211 |
3 |
19 |
23x8 |
|
200 |
400 |
500 |
340 |
295 |
266 |
3 |
20 |
23x8 |
340 |
295 |
266 |
3 |
20 |
23x12 |
|
250 |
450 |
603 |
395 |
350 |
319 |
3 |
22 |
23x12 |
405 |
355 |
319 |
3 |
22 |
28x12 |
|
300 |
500 |
628 |
445 |
400 |
370 |
4 |
25 |
23x12 |
460 |
410 |
370 |
4 |
25 |
28x12 |
|
350 |
550 |
723 |
505 |
460 |
429 |
4 |
25 |
23x16 |
520 |
470 |
429 |
4 |
26,5 |
28x16 |
| 400 | 600 | 860 | 565 | 515 | 480 | 4 | 25 | 28x16 | 580 | 525 | 480 | 4 | 28 | 31x16 |
| BOYUTLAR : | 3202 F5 |
|---|---|
| BAĞLANTILAR : | DIN 2533 - ISO 7005/ 2 |
| ÇALIŞMA SICAKLIĞI : | -10 °C +120 °C |
| ANMA BASINCI : | PN 10 / 16/ 25 |
| MALZEME : | PN 10/ 16 - GG 25/EN GJS 400-15 PN 25 EN GJS 400-15 |